Jerzy KALWAS1, Filip ŁABAJ1,2, Ryszard PIRAMIDOWICZ1,2, Edyta KIEDRZYŃSKA3
1VIGO Photonics S.A., ul. Poznańska 129/133, 05-850 Ożarów Mazowiecki
2Instytut Mikroelektroniki i Optoelektroniki, Politechnika Warszawska,
ul. Koszykowa 75, 00-662 Warszawa
3Europejskie Regionalne Centrum Ekohydrologii, Polskiej Akademii Nauk, ERCE PAN,
ul. Tylna 3, 90-364 Łódź
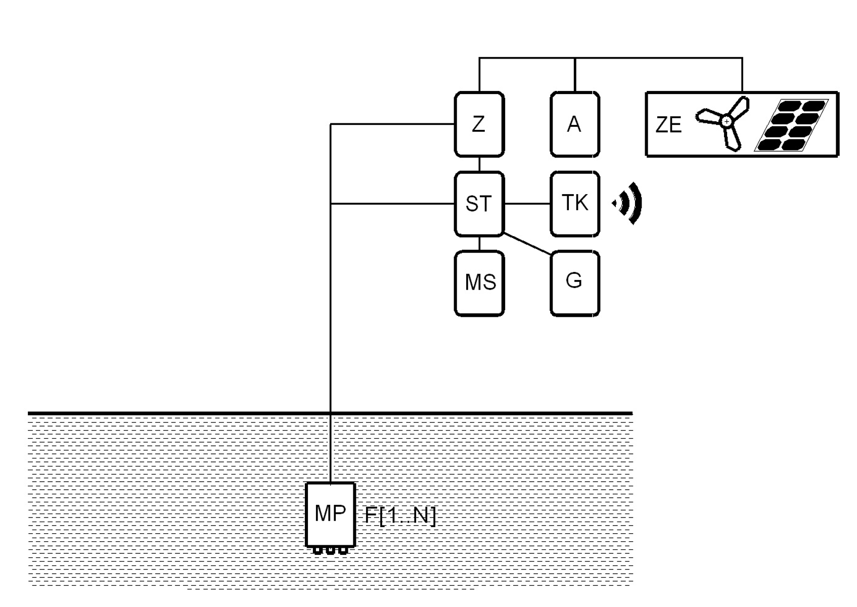
Celem prezentowanego projektu jest Opracowanie Innowacyjnego Fotonicznego Systemu Monitoringu Zasobów Wodnych umożliwiającego ciągłe i co ważne bezodczynnikowe monitorowanie zawartości azotanów, azotynów, fosforanów i jonów amonowych- będących głównymi substancjami odpowiadającymi za eutrofizację wód. Podstawową jednostką monitorującą będzie Autonomiczna Sonda Pomiarowa (rys. 1.), umożliwiająca pomiar wybranych parametrów i przesyłanie wyników do centralnej jednostki nadzorującej sieć czujników.
Przedstawione zostaną ogólne informacje dotyczące źródeł zanieczyszczeń wód powierzchniowych, istniejących rozwiązań systemowych a także znormalizowanych wybranych procedur pomiarowych. Spektroskopia podczerwieni umożliwia identyfikację poszczególnych substancji na podstawie pomiaru częstości drgań charakterystycznych dla poszczególnych grup funkcyjnych [1]. Istniejąca aparatura nadaje się jednak do pomiarów laboratoryjnych. Postęp w dziedzinie miniaturyzacji pozwala na opracowywanie coraz mniejszych urządzeń wykorzystujących np. fiber-optic evanescent wave spectroscopy (FEWS) [2] lub surface enhanced Raman spectroscopy (SERS) [3]. Również w tym kierunku prowadzone są prace w ramach realizowanego projektu.

Literatura
[1] D.J. Goebbert, E. Garand, T. Wende, R. Bergmann, G. Meijer, K.R. Asmis, D.M. Neumark, Infrared Spectroscopy of the Microhydrated Nitrate Ions NO3,-(H2O)1-6, J. Phys. Chem. A 2009, 113, 7584–7592
[2] K. Roodenko, D. Hinojos, K. Hodges, J.-F. Veyan, Y. J. Chabal, K.P. Clark, A. Katzir, D. Robbins,Non-dispersive infrared (NDIR) sensor for real-time nitrate monitoring in wastewater treatment,Event: SPIE BiOS, 2019, San Francisco, California, United States
[3] S. Gajaraj, C. Fan, M. Lin, Z. Hu, Quantitative detection of nitrate in water and wastewater by
surface-enhanced Raman spectroscopy, Environ Monit Assess (2013) 185:5673–5681
FoSMoWater- Program realizowany dzięki wsparciu Narodowego Centrum Badań i Rozwoju w ramach programu strategicznego HYDROSTRATEG (HYDROSTRATEG1/000E/2022).